Ask The Editors: Need A Wiring Diagram For An Old Machine

We’ve got it but grab your glasses.
Dear ATVC: I am working on a 1999 Polaris Ranger 500 6×6. Would anyone have a wiring diagram for the front wheel activation or possibly have a link to a diagram for the same? Any help would be greatly appreciated.
Well, it seems that nobody works on the old stuff anymore. I guess I got to go back to the basics of 1 wire at a time till I find the problem.
Well, it seems that nobody works on the old stuff anymore. I guess I got to go back to the basics of 1 wire at a time till I find the problem.
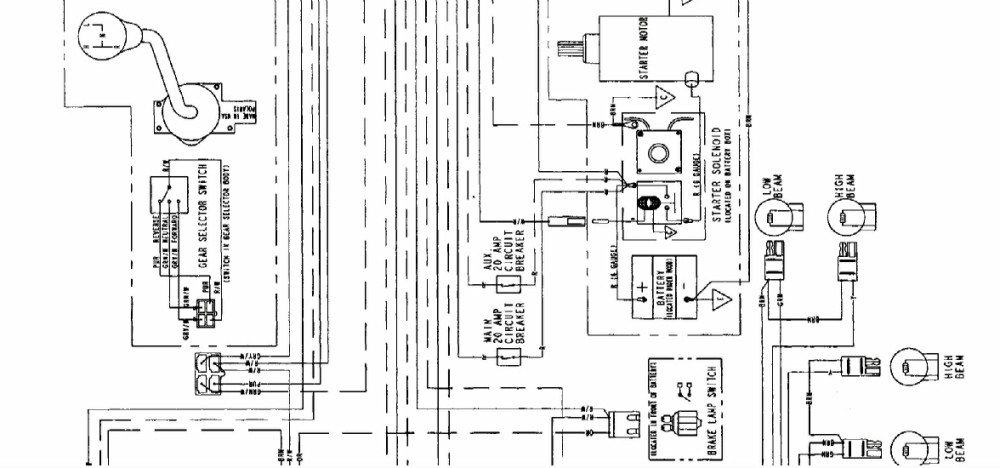
First the good news – we’ve got it. Now the bad – even zoomed and spread out across three pages, it can be difficult to read. Scanning old ink pages is a far cry from modern digital imagery to be sure.
However, get out your magnifying glass and hopefully you can make out enough here to point you in the right direction:





You must be logged in to post a comment.