Bush Hog 4430 Wheel Hub

Subscribe
Feb 2, 2023 | 06:09 PM
  #1  
I have a 4430 UTV that we use on our farm that we bought used, and have been pleased with the performance. However, we have an issue now where the shaft on the back of the wheel hub sheared just outside the bearing. The only place that carried parts for these machines (Germanbliss) does not have any more hubs in stock. I am confident that Bush Hog did not build these hubs and must have bought them from somebody but there is no part numbers stamped into the hubs themselves. Has anyone else run into this and were you able to find an aftermarket replacement? Thanks for any info ya'll may have.

Rick
Reply 0
Sep 21, 2023 | 12:06 PM
  #2  
Quote: I have a 4430 UTV that we use on our farm that we bought used, and have been pleased with the performance. However, we have an issue now where the shaft on the back of the wheel hub sheared just outside the bearing. The only place that carried parts for these machines (Germanbliss) does not have any more hubs in stock. I am confident that Bush Hog did not build these hubs and must have bought them from somebody but there is no part numbers stamped into the hubs themselves. Has anyone else run into this and were you able to find an aftermarket replacement? Thanks for any info ya'll may have.

Rick
I know this is an old question. If you found a solution I'd love to know what you found. I'm in the same boat with my 4430- front hub sheared off just behind the hub face where it's supported by the bearings. I tried to weld it, but it just sheared again due to the brittleness from welding. I've been searching forever for a replacement with no luck. Right now I'm looking for a 20 spline coupler with the dimensions close enough to be machined down to the same external diameter, then looking at boring the hub out to fit the coupler inside, then either brazing or cross-drilling and pinning the coupler into the hub.
I agree, Bush Hog didn't cast these hubs themselves, they sourced them from somewhere but I have yet to figure out where they cam from.
Reply 0
Sep 21, 2023 | 05:09 PM
  #3  
Quote: I know this is an old question. If you found a solution I'd love to know what you found. I'm in the same boat with my 4430- front hub sheared off just behind the hub face where it's supported by the bearings. I tried to weld it, but it just sheared again due to the brittleness from welding. I've been searching forever for a replacement with no luck. Right now I'm looking for a 20 spline coupler with the dimensions close enough to be machined down to the same external diameter, then looking at boring the hub out to fit the coupler inside, then either brazing or cross-drilling and pinning the coupler into the hub.
I agree, Bush Hog didn't cast these hubs themselves, they sourced them from somewhere but I have yet to figure out where they cam from.

Unfortunately I never figured out where BushHog sourced these parts. What I did end up doing was using a front hub from a Polaris 2006 HO Sportsman ATV and machined it to use the original bearings. I did have to purchase a Polaris four bolt wheel to use but at least I have parts availability now. I'm sure you caught it but you are working on the front hub and I was working on the rear. I'm not sure if what I did would work for you. I will say that its been back together and working for close to 7 months now and now a bit of trouble.
Reply 1
Oct 4, 2023 | 03:14 PM
  #4  
Quote: Unfortunately I never figured out where BushHog sourced these parts. What I did end up doing was using a front hub from a Polaris 2006 HO Sportsman ATV and machined it to use the original bearings. I did have to purchase a Polaris four bolt wheel to use but at least I have parts availability now. I'm sure you caught it but you are working on the front hub and I was working on the rear. I'm not sure if what I did would work for you. I will say that its been back together and working for close to 7 months now and now a bit of trouble.
Thanks for the reply. I ended up drilling/ machining out the center of the hub to the diameter of the broken bearing shaft, machining a new shaft with a hole for the axle and pressing it (then welding it) into the old hub. Since I didn't want to go thru the hassle of custom ordering a spline broach, I just cut a keyway into the shaft and on the existing axle, then assembled with a square key. It seems to be working ok. I wouldn't trust it to hold up to a ton of abuse, but for just running around the farm it's fine. If I have another one break I'm going to order a 6" diameter piece of billet and just machine a whole new hub. If I do I'll post here if anyone else needs one- once I have all the dimensions and tooling from the first one it won't be any big deal to make others. Sorry I didn't take more pictures, I was in a hurry.
I also figured out a solution to replace the steering rack for less that $200 with parts sourced from Amazon if yours has a ton of slop like mine did. Now I'm working on an aftermarket solution for the lower control arm "ball joints" which are 17mm spherical bearings.
Let me know if I can with any other solutions. These are solid machines with a few achilleas heals- shame they didn't support them very long.
Blessings, Jack


Reply 1
Jan 8, 2024 | 11:19 AM
  #5  
If I do I'll post here if anyone else needs one-
Ozark Rockslammer;
Hi, I have exactly the same problem you have/had.
Is there any chance you could turn another one for me?
What would you charge for this?
Thorne
Reply 1
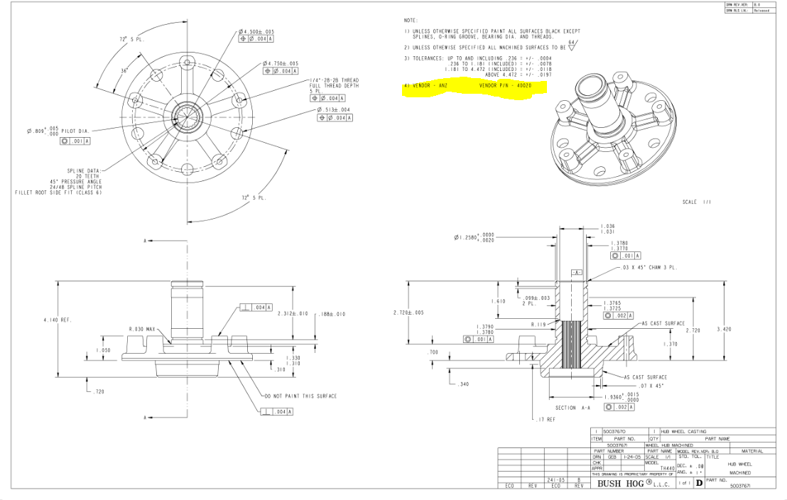
Mar 13, 2024 | 09:31 PM
  #6  
I have these Schematics...
I have these Schematics that I got from Bush Hog. They said the 50037671 hub (Front Hub for the Bush Hog TH4400 & 4430 UTV's) was provided from a company called ANZ with their part# 40020. But I couldn't find the company anywhere. Here's the Schematics I got tho, I would also be interested in a machined hub if you have the stuff to machine them. 🤔

Reply 1
Apr 6, 2026 | 07:43 PM
  #7  
Animeshiyom, can you please send me a better version of that schematic.
Hi all, I’m in the same boat guys. Animeshiyom do you have a better quality version of that drawing you can share with me?

not a great deal of them around in OZ.

if someone is making or getting some made I’ll take 4x. This thing has been great I don’t mind giving some back to it. I’m going to look into getting some made otherwise.
Reply 0